我公司研發生產的WB系列防晃電交流接觸器已經在石油、化工、鋼鐵等企業發揮了積極作用,能有效的抵御電源電壓不穩.瞬間失壓.瞬間斷電,滿足了高要求的連續性生產線使用。

工作原理
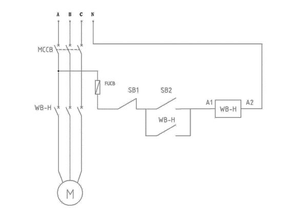
WB防晃電接觸器是一個雙線圈結構,電源正常狀態下,控制模塊處于儲能狀態,接觸器的啟動和停止與常規接觸器一樣,當有“晃電”發生使電壓降到接觸器的維持電壓以下時,控制模塊開始工作,以儲能釋放的形式保持接觸器繼續吸合。當電源電壓恢復后,控制模塊又轉入儲能狀態。
由于控制模塊使用了特殊的電源轉換部件,使得WB系列防晃電接觸器的體積和安裝結構保持了原有的特征,另外它不依賴輔助工作電源和輔助機械裝置,因而體積小,可靠性高。

規格參數:
型號 | 額定工作電流A | AC-3負荷控制的三相異步電動機的更大功率KW 380V | 操作頻率 (AC-3) | (AC-3)電壽命(萬次) |
WB-H09A | 9 | 4 | 600 | 100 |
WB-H12A | 12 | 5.5 | 600 | 100 |
WB-H18A | 18 | 7.5 | 600 | 100 |
WB-H25A | 25 | 11 | 600 | 100 |
WB-H32A | 32 | 15 | 600 | 80 |
WB-H40A | 40 | 18.5 | 600 | 80 |
WB-H50A | 50 | 22 | 600 | 80 |
WB-H65A | 65 | 30 | 600 | 80 |
WB-H80A | 80 | 37 | 600 | 60 |
WB-H95A | 95 | 45 | 600 | 60 |